These Product Tours are just a structured sequence of web pages. Click the ► button to step through them.
The navigation buttons have the following functions:
|◄ takes you back to the beginning of the current tour
◄ is the same as your browser back button
▲ takes you up a level in the hierarchy
► steps forward to the next page
The drop-lists give another way of accessing the same pages
shows and hides a map of the structure of the tour with links to each page.
expands the tour into its own window (only visible when embedded in another page.)
TGP3100 Series Tour Map
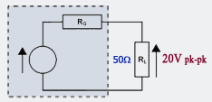
TGP3100 Series Pulse Generators: High Drive Output
High Drive Capability Output
The TGP3100 Series incorporates output amplifiers with higher drive capability than conventional generators. This enables it to drive up to 20 volts pk-pk into a 50Ohm load.
This replicates the capabilities of traditional analogue pulse generators that incorporated a high voltage output mode.
Source-Load Matching
Switchable output impedance allows full load-source matching when levels below 11 volts pk-pk are sufficient.
Multi-stage attenuation allows signal levels down to 100mV pk-pk without sacrifice of dynamic range.